PVR50 Series Hydraulic Vane Pump | PVR50-F20, PVR50-F51 | Low Noise
| Model Number | PVR50, PVR50–LF/FF-13/20/26/30/36/39/45/51/56, PVR50-F-F20-RAA-3280, PVR50-F-F-51-RAA-3180 |
|---|
Product Description
PVR50 Series High-Performance Low Noise Hydraulic Vane Pumps
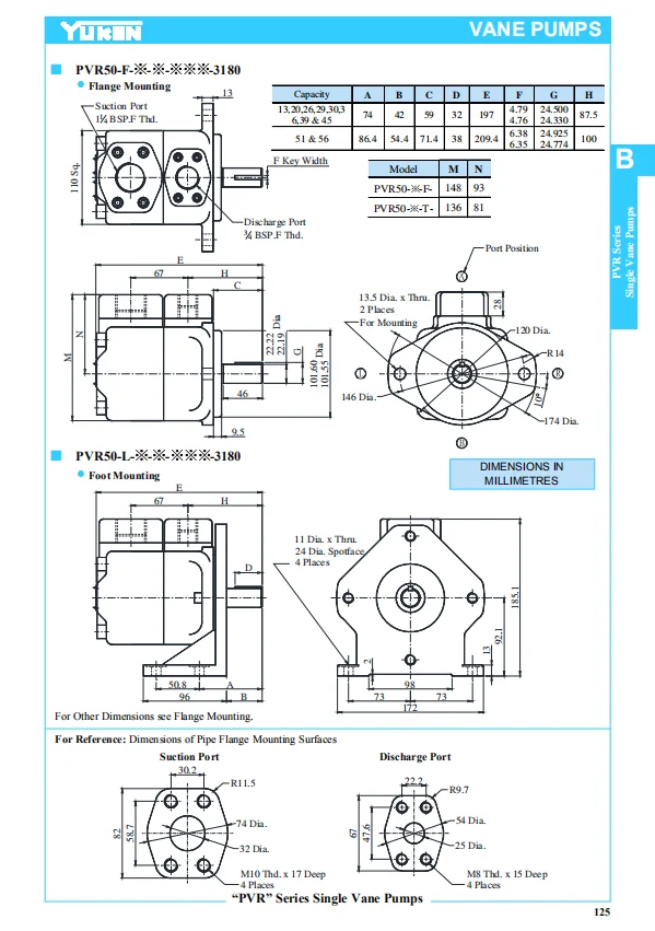
Product Overview: The PVR50 Series fixed displacement vane pump is the core power solution for modern industrial hydraulic systems requiring strict noise control and high-pressure output. Engineered for extended service life and ultra-quiet operation, this series utilizes an advanced hydraulically balanced cartridge design. This page features key specifications: PVR50-F-F20-RAA-3280, PVR50-F-F-51-RAA-3180, and the full flow range (13/20/26/30/36/39/45/51/56). With its precision-ground port plates and rugged cast iron housings, the PVR50 series maintains exceptional volumetric efficiency and smooth power delivery even at continuous pressures up to 21.0 MPa (210 Bar).
Key Technical Advantages:
Ultimate Quiet Operation: The specially designed stator curve and 12-vane system effectively suppress flow pulsations, keeping operational decibels far below industry standards—ideal for improving factory environments.
Heavy-Duty Pressure Stability: Rated for operating pressures up to 21.0 MPa. The hydraulically balanced core reduces radial loads on the bearings, significantly extending the service life of the drive components.
Versatile Flow Options: Offers a wide displacement range from 13 to 56 cm³/rev, providing flexibility to match actuators with diverse power requirements.
Modular “Drop-in” Cartridge Maintenance: The internal pump core is a modular unit. Maintenance is streamlined—swap the internal cartridge on-site without disconnecting heavy plumbing, drastically cutting downtime.
Target Applications: Plastic injection machines, metal shears, scrap balers, shoemaking machinery, CNC machine tools, and industrial Hydraulic Power Units (HPU).
Detailed Models & Parameters:
Core Series: PVR50 Series (Fixed Displacement).
Model Keywords: PVR50-F20, PVR50-F51, PVR50-LF, PVR50-FF.
Displacement Ratings (cm³/rev): 13, 20, 26, 30, 36, 39, 45, 51, 56.
Technical Specs Decoding:
F / LF / FF: Mounting flange configurations (Standard or heavy-duty styles).
RAA: Rotation and porting configuration code (typically Right-hand/Clockwise).
3280 / 3180: Specific shaft types and design sequence identifiers.
Max Operating Pressure: Rated for continuous operation up to 21.0 MPa (210 Bar / 3050 PSI).
Speed Range: Supports stable operation between 600 and 1800 RPM.


Company Profile
Our Advantages
Fast & Reliable Delivery
Extensive Partnerships
Strict Quality Assurance
Competitive Pricing
Reply within 24 hours!












