Hawe PMV/PMVS Series | PMV41 PMV42 PMV53 PMV63 | PMVS41 PMVS51 | Proportional Relief Valve | G24 Solenoid

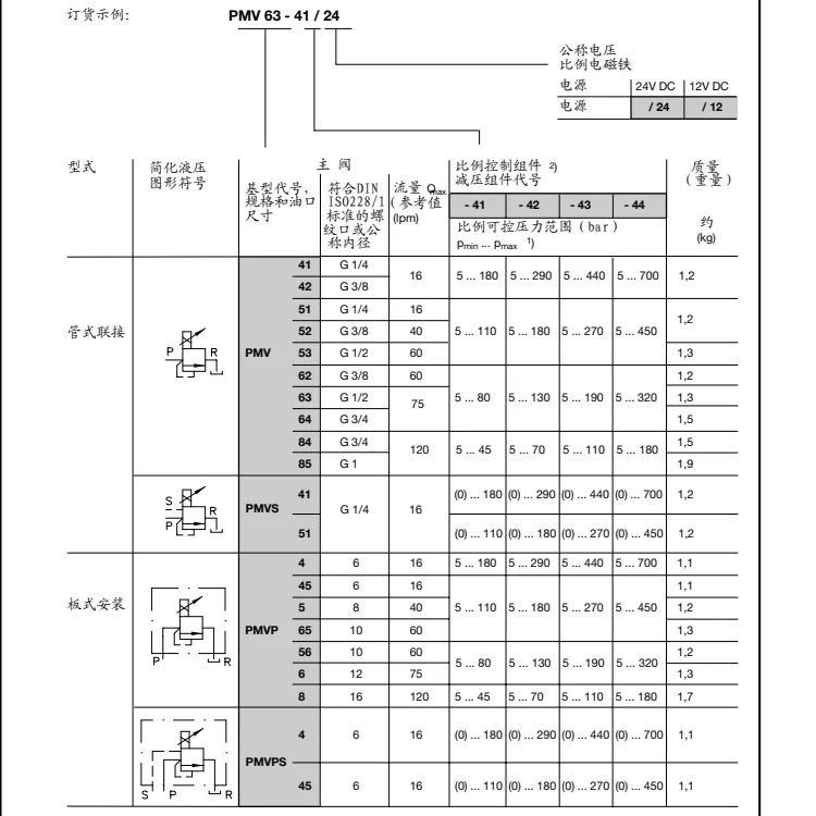
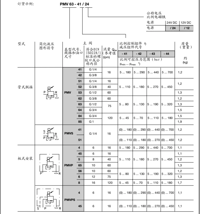
Model Number

PMV41-43/G24 PMV42-43/G24 PMV53-43/G24

Product Description

PMV & PMVS Series Proportional Pressure Relief Valves

Product Overview: The PMV and PMVS series are high-performance proportional electro-hydraulic relief valves, primarily utilized as pilot valves for the remote and stepless regulation of system pressure. By modulating the electrical current to the proportional solenoid, these valves provide precise control over hydraulic force. The PMV type is the standard configuration, while the PMVS type offers enhanced features such as additional pressure porting or specialized damping. Utilizing a robust ball-valve design, they offer superior resistance against oil contamination and unrivaled sealing reliability for 2026 mobile and industrial power units.

Featured models: PMV41-43/G24, PMV42-43/G24, PMV53-43/G24, PMV63-41/G24, PMVS41-44/G24, and PMVS51-43/G24.

Key Technical Advantages:

  • Precision Pressure Regulation: Features direct-acting proportional solenoids for smooth, continuous control from zero to rated pressures (up to 700 bar depending on the specific frame size).

  • Contamination-Resistant Ball Valve Design: Unlike traditional spool valves, the ball-seat design prevents sticking caused by particulate matter, ensuring sensitive and reliable response.

  • Versatile Sizing: Available in PMV 4, PMV 5, and PMV 6 sizes to match a wide range of pilot flow requirements.

  • Low Hysteresis & High Linearity: Optimized for use with standard G24 (24V DC) coils, delivering minimal hysteresis and high repeatability for closed-loop accuracy.

  • Space-Saving Compactness: The sleek design facilitates easy manifold integration, reducing the overall footprint of hydraulic circuits.

Detailed Specifications & Parameters:

  • Featured Model Matrix:

    • PMV41 / 42: Size 4, versatile proportional pilot control.

    • PMV 53 / 63: Larger frame sizes for increased flow and dynamic stability.

    • PMVS Series: Specialized versions with enhanced damping for vibration-sensitive applications.

  • Technical Specs:

    • Operating Voltage: 24V DC (G24).

    • Max Pressure: Up to 700 bar (Body-dependent).

    • Protection: IP65-rated electrical connectors.

PMV41-43/G24PMV42-43/G24PMV53-43/G24PMV63-41/G24PMVS41-44/G24PMVS51-43/G24PMVP4-41/G24PMVP4-42/G24PMVP4-43/G24PMVP4-44/G24
PMVP45-42/G24PMVP45-43/G24PMVP5-42/G24PMVP5-43/G24PMVP5-44/G24PMVP56-41/G12PMVP56-41/G24PMVP6-43/G24PMVP65-44/G24PMVP8-44/G24

Company Profile

We adhere to international quality management standards and provide a 1-year warranty including maintenance and replacement. We have established long-term strategic cooperation with many well-known brands and continuously launch new products to meet market development. Flexible payment terms are supported, including USD settlement, Alipay, Western Union and T/T.
 
Relying on our standardized production base and professional foreign trade team, we provide competitive factory direct prices, efficient logistics channels and punctual delivery. FJZY Hydraulic is devoted to being your trustworthy long-term partner in hydraulic and agricultural machinery fields.
23
25
28
30

Our Advantages

Fast & Reliable Delivery

We optimize global logistics channels to ensure every customer receives their goods on time, anywhere in the world.

Extensive Partnerships

We collaborate with numerous factories, offering a wide range of product selections and providing you with instant quote responses

Strict Quality Assurance

Quality first is our principle. We provide a one-year warranty service, ensuring you receive top-tier quality products with confidence.

Competitive Pricing

Through efficient production and close cooperation, we offer highly competitive prices, guaranteeing a cost-effective experience for you.
Shoot Us An Email

Reply within 24 hours!

Scroll to Top
Shoot Us An Email

Reply within 24 hours!