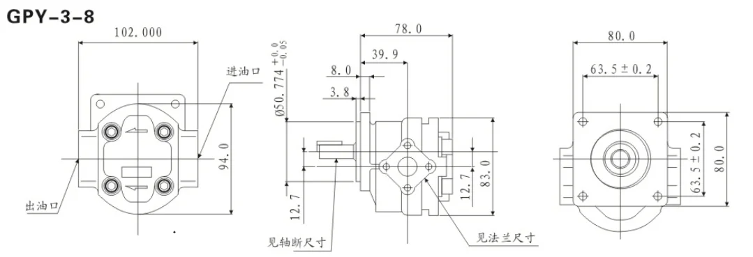
GPY Series Hydraulic Gear Pump | GPY-3, GPY-4, GPY-7, GPY-11.5 | Micro High Pressure Pump
| Model Number | GPY |
|---|
Product Description
GPY Series High-Performance Micro Hydraulic Gear Pumps
Product Overview: The GPY Series is a micro external gear pump specifically engineered for compact hydraulic systems. Known for its ultra-small footprint, high pressure-bearing capacity, and exceptional operational quietness, this series is the premier choice for mobile hydraulic equipment and small Hydraulic Power Units (HPU). This featured range covers the entire spectrum: from micro specs GPY-3, GPY-4, and GPY-5.8 to medium flow models GPY-7, GPY-8, GPY-9, and GPY-11.5.
Key Technical Advantages:
Compact & Lightweight: Utilizing a high-strength extruded aluminum alloy body, these pumps are incredibly light and space-efficient, ideal for truck tail lifts, aerial work platforms, and medical devices.
High Volumetric Efficiency: Equipped with an automated axial pressure compensation structure, maintaining efficiencies over 93% even under high-pressure conditions of 21 MPa, effectively minimizing internal leakage.
Ultra-Quiet Operation: Precision-ground gear sets combined with optimized intake port designs significantly reduce flow ripples and mechanical noise, delivering smoother hydraulic output.
100% Direct Replacement: Adheres to international mounting standards, including standard oval flanges and various shaft configurations (Keyed or Splined), ensuring seamless compatibility with existing systems.
Target Applications: Forklift lift systems, truck tail lift units, hydraulic scissor lifts, waste compactors, and medical bed actuators.
Detailed Models & Parameters:
Core Series: GPY High Pressure Micro Series.
Model Keywords: GPY-3, GPY-4, GPY-5.8, GPY-7, GPY-8, GPY-9, GPY-11.5.
Displacement Range: Precision coverage from 3cc/rev up to 11.5cc/rev.
Pressure Ratings: Rated at 21 MPa (210 Bar); Peak pressure up to 25 MPa (3625 PSI).
Maximum Speed: Supports continuous operation up to 4000 RPM.



Company Profile
Our Advantages
Fast & Reliable Delivery
Extensive Partnerships
Strict Quality Assurance
Competitive Pricing
Reply within 24 hours!











